Eskişehir'deki Küllüoba Höyüğü kazısında gün yüzüne çıkarılan 5 bin yıllık ekmeğin, bereket getirmesi amacıyla yakılarak evin içine gömüldüğü tespit edildi.

Eskişehir'in Seyitgazi ilçesinde süren Küllüoba Höyüğü kazısında gün yüzüne çıkarılan 5 bin yıllık "Küllüoba ekmeği"nin, bereket getirmesi amacıyla yakılarak evin içine gömüldüğüne dair bulgulara ulaşıldı.
Kültür Varlıkları ve Müzeler Genel Müdürlüğünden alınan izinler doğrultusunda sürdürülen kazı çalışmalarında gömülü evin arka odasındaki eşik kısmında bir parçası koparılmış ve yakılmış 5 bin yıllık ekmek bulundu.
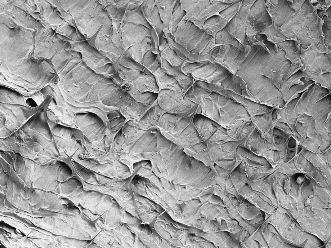
Ekmeğin elektron mikroskobu görüntüleriyle hamur dokusunu laboratuvarda inceleyen akademisyenler, karıştırılma ve yoğurulma işlemleri sonrasında mayalanması için bekletildiğini belirledi. İncelemeler sonucunda yapımında gernik buğdayı ve mercimeğin kullanıldığı tespit edilen ekmeğin besin değerinin yüksek, gluten oranının ise düşük olduğu görüldü.
Pişirilip bir parçası koparıldıktan sonra yeniden yakılıp yapının içine gömülerek üstünün kırmızı renkli toprakla örtüldüğü belirlenen 5 bin yıllık ekmeğin, bereket getirmesi inancıyla ritüel için üretildiği belirlendi.
- "Kırmızı renkli toprakla gömülmüş"
Kazı Başkanı ve Bilecik Şeyh Edebali Üniversitesi İnsan ve Toplum Bilimleri Fakültesi Arkeoloji Bölümü Öğretim Üyesi Prof. Dr. Murat Türkteki, AA muhabirine, ekmeğin kendileri için heyecan verici bir bulgu olduğunu söyledi.

Ekmeğin arkeolojik kazılarda çok nadir bulunabileceğine dikkati çeken Türkteki, "Organik madde olması açısından bizim için çok değerli. Ekmeğin bulunmasından çok söyledikleri, anlattıkları, hikayesi bizim açımızdan önemli. O açıdan gerçekten çok mutluyuz." dedi.
Türkteki, kazı çalışmalarının son döneminde gömülmüş yapılarla karşılaştıklarına işaret ederek, "Bunlardan birinin içerisinde bir arka odanın eşik kısmında üzeri kırmızı renkli toprakla gömülmüş bir ekmekle karşılaştık. Karbonize olmuş vaziyette ancak olduğu gibi korunmuş." ifadelerini kullandı.
Ekmeği bulduktan sonraki aşamada laboratuvar ortamında analiz çalışmalarına ağırlık verdiklerini dile getiren Türkteki, şöyle devam etti:
"Bu analizlerde ekmeğin içerisindeki türleri saptamaya çalıştık. Bunların içerisinde emmer adıyla da bilinen 'gernik' buğdayı var hatta bugün 'kavılca' adıyla bilenen bir alt grupla karşılaştık. Ekmeğin yüzde 90'ı bu. İçerisinde bir miktar mercimek de var. Mercimek, aynı zamanda belki de mayalama süreciyle de bağlantılı olabilir. Pişmeyle ilgili de verilerimiz var. 150 santigrat derece civarında bir ısıya maruz kaldığını ve piştiğini, dışının daha iyi, içinin daha az piştiğini biliyoruz. Daha sonra da bunun yakıldığını anladık. Zaten yakılmamış olsaydı bize ulaşması da mümkün olmayacaktı."
- Besin değeri yüksek, gluten oranı düşük

Türkteki, besin içeriği açısından bakıldığında gernik buğdayının modern buğdaylara göre yüksek protein içerdiğine dikkati çekti.
Bu ekmeğin B grubu vitaminler açısından da zengin olduğunun belirlendiğini kaydeden Türkteki, şu bilgileri paylaştı:
"Antioksidan özellikleri var. Lif içeriği yine oldukça önemli. Bir de 'dirençli nişasta' diye bilinen, daha çok kan şekerinin hızlı yükselmesini önleyen bir madde söz konusu. Bu açıdan baktığımızda sağlıklı buğday türleriyle ilgili aslında ne yapmamız gerektiğini, nereye bakmamız gerektiğini de bize gösteriyor. Besin değeri yüksek. Gluten oranı da düşük. Bu, şu anlamda önemli; ekmek belki çok kabarmıyor ama gluten aynı zamanda kabarmayı da sağlayan bir şey."
- "Bir ritüel için üretilmiş gibi duruyor"
Murat Türkteki, ekmeğin hazırlandıktan sonra bir parçasının koparıldığını dile getirerek, "Belki ritüel amacıyla bir törenin parçası da olabilir. Bir yapı, bereket, adak vesaire bunlarla bağlantılı olabilir. Bu parça kopartıldıktan sonra yapının eşik kısmına yakın bir kesime, tabana gömülmüş. Ekmeği bu şekilde bulmuş olduk." dedi.

Türkteki, ekmeğin o dönemdeki kullanımına ilişkin şöyle konuştu:
"Bizim anladığımız şu; tabii ki günlük hayatta tüketiliyordu. Bunun bir parçası olarak değil bu ekmek, en azından ritüel amaçlı olarak belki üretildi. Gösterdiği şey şu ki bir parçası koparılmış ve yakılmış, tabana gömülmüş yoksa zaten bize ulaşması mümkün değildi. O anlamda bir ritüel için üretilmiş gibi duruyor."
Anadolu'da şu ana kadar bulunduğunu bildikleri iki ekmek örneğinin olduğunu belirten Türkteki, sözlerini şöyle tamamladı:
"Çatalhöyük'te birkaç sene önce bulundu. Çatalhöyük'teki aslında pişmemiş bir örnek. Onun dışında başka bilinen bir örnek yok. Küllüoba, ikinci sırada diyebiliriz. Tunç Çağı'nda zaten böyle bir örnek yok. Bazı kırıntılar var. Ekmek benzeri bir ürün olarak değerlendiriliyor. Onlar da kesin olarak ekmek diyemiyorlar. Bizimkisi, form vermesi ve pişirilmiş olması açısından Anadolu'da ilk oluyor."
Öte yandan "Küllüoba ekmeği", Eskişehir Büyükşehir Belediyesine bağlı Halk Ekmek Fabrikası'nda üretilerek üretici marketlerinde 50 liradan satışa sunuluyor.
AA Yavuz Emrah Sever


Ani Köprüsü Türkiye-Ermenistan İşbirliği İle Restore Edilecek
Prof. Dr. Mehmet Baha Tanman, Mevlevihanelerin Mimari Özelliklerini anlatacak
Manisa Kurtuluş Müzesi Ulusal Mimarlık Ödüllerinde Yapı Dalı Ödülüne layık görüldü
C Sehpa ile Modern Yaşam Alanlarında Pratik ve Fonksiyonel Çözümler